Emcomat V8 onderhoud.
Moderator: Moderators
- hugo stoutjesdijk
- Donateur
- Berichten: 13231
- Lid geworden op: 02 mar 2011 17:04
- Locatie: elst (u)
- Has thanked: 1 time
- Been thanked: 12 times
- Contacteer:
Re: Emcomat V8 onderhoud.
Wat Huub zegt, die kikker moet vlak staan.
Maar waar je op klemt zit vol met roest, dat is ook geen oppervlak om te klemmen.
Met een blokje en waterproof schuurpapier die zuiver maken, maar zorg er voor dat die niet bol wordt.
Die beitel lijkt buiten diezelfde onderplaat te komen, dus heeft ook geen oppervlak om te klemmen.
En als laatste, je beitel heeft niet de handigste vorm voor dit klusje.
En kontroleer of de moer van je kikkerplaat niet toevallig op z’n eind zit, kun je ook iets wat 2mm dunner is klemmen.
Maar waar je op klemt zit vol met roest, dat is ook geen oppervlak om te klemmen.
Met een blokje en waterproof schuurpapier die zuiver maken, maar zorg er voor dat die niet bol wordt.
Die beitel lijkt buiten diezelfde onderplaat te komen, dus heeft ook geen oppervlak om te klemmen.
En als laatste, je beitel heeft niet de handigste vorm voor dit klusje.
En kontroleer of de moer van je kikkerplaat niet toevallig op z’n eind zit, kun je ook iets wat 2mm dunner is klemmen.
Ik ben voor meer techniek op school, maar dan wel vanaf groep 1 basischool.
- Marijke&Peter
- Donateur
- Berichten: 63
- Lid geworden op: 06 jun 2023 20:57
- Locatie: Heemskerk
- Has thanked: 3 times
- Been thanked: 2 times
- Contacteer:
Re: Emcomat V8 onderhoud.
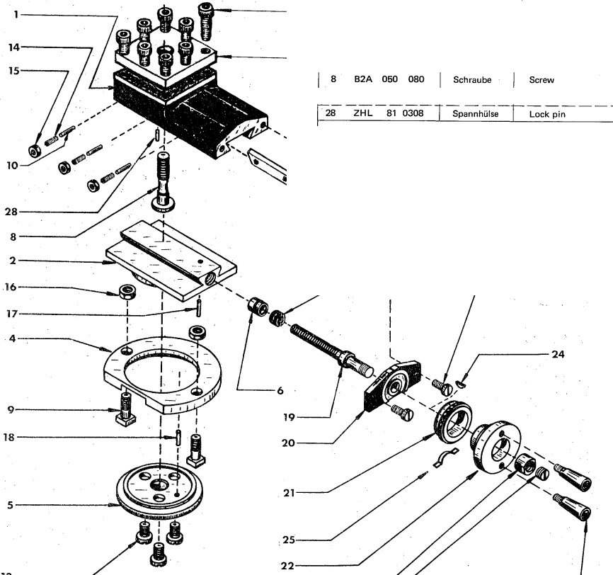
Inmiddels heb ik een oorzaak gevonden die een veel groter probleem is als de roest.
Het schroefdraad is versleten.
Door een paar extra ringen en een nieuwe moer te gebruiken is het gelukt om de trespa ring op maat te maken.
Maar de beitel zit nog steeds niet goed vast.

Ik ga proberen die bout te vervangen.

Volgens de handleiding zit die alleen vast met een borgpen, dus geen schroefdraad.

Een andere optie zou zijn om dit onderdeel geheel te vervangen.
Ali verkoop "compount support" in veel verschillende maten.
Maar tot nu toe zijn ze allemaal te groot.
Dan komt de beitel te hoog te zitten.
( Marijke doet nu even niet mee omdat ze een beetje ziek is )
Groetjes Peter
Het schroefdraad is versleten.
Door een paar extra ringen en een nieuwe moer te gebruiken is het gelukt om de trespa ring op maat te maken.
Maar de beitel zit nog steeds niet goed vast.

Ik ga proberen die bout te vervangen.

Volgens de handleiding zit die alleen vast met een borgpen, dus geen schroefdraad.

Een andere optie zou zijn om dit onderdeel geheel te vervangen.
Ali verkoop "compount support" in veel verschillende maten.
Maar tot nu toe zijn ze allemaal te groot.
Dan komt de beitel te hoog te zitten.
( Marijke doet nu even niet mee omdat ze een beetje ziek is )
Groetjes Peter
- hugo stoutjesdijk
- Donateur
- Berichten: 13231
- Lid geworden op: 02 mar 2011 17:04
- Locatie: elst (u)
- Has thanked: 1 time
- Been thanked: 12 times
- Contacteer:
Re: Emcomat V8 onderhoud.
Die aantrekbout kun je waarschijnlijk zo er uit tikken, dan komt die kerfpen ook wel mee. Die zit er alleen om tegen draaien te borgen. Alleen moet je dan kijken of je ergens een nieuwe bout kunt laten maken.
En na monteren waarschijnlijk een nieuw kerfpengat boren, want het zal wel lastig zijn om dat halve gat er terug in te vijlen.
Ik zou een zeskantje in dat support frezen en die bout ook een zeskante kop geven.
En na monteren waarschijnlijk een nieuw kerfpengat boren, want het zal wel lastig zijn om dat halve gat er terug in te vijlen.
Ik zou een zeskantje in dat support frezen en die bout ook een zeskante kop geven.
Ik ben voor meer techniek op school, maar dan wel vanaf groep 1 basischool.
-
Huub Buis
- Donateur
- Berichten: 4308
- Lid geworden op: 13 feb 2017 00:26
- Locatie: Hoensbroek
- Has thanked: 10 times
- Been thanked: 8 times
Re: Emcomat V8 onderhoud.
Als ik de bout zie, dan denk ik dat de moer ook vervangen moet worden.
https://www.cnczone.nl/viewforum.php?f=21
- Wat is het voor maat schroefdraad of wat is de diameter van het stukje goede draad
- hoe lang is de bout ongeveer
- wat is de diameter van die ronde borst aan de onderkant
https://www.cnczone.nl/viewforum.php?f=21
There are only 2 limits, the sky and your imagination
- Kars-cnc
- Donateur
- Berichten: 1986
- Lid geworden op: 07 okt 2015 05:33
- Locatie: Heerde (Gelderland)
- Been thanked: 1 time
Re: Emcomat V8 onderhoud.
Emco kennende is dat gewoon een metrische schroefdraad, bij mijn Emco Compact-8 is het M8. Het lijkt mij dat met een beetje creativiteit een normale M8 of M10 bout wel geschikt te maken is door de kop wat af te draaien. Je kunt kiezen uit een slotbout, zeskantbout of imbusbout, wat maar het gemakkelijks aan te passen is. Die kerfpen, tja... ik zou beginnen met daar een druppeltje loctite voor in de plaats te gebruiken. Als dat niet lang houd zijn er nog vele wegen om die bout te borgen zonder zo'n lastig sleufje te hoeven maken.
Edit: ik zie nu bij mij dat het gladde onderste deel vrij precies 8mm is, dat lukt met een standaard bout waarschijnlijk niet. Bij de beitelklem zoals je nu gebruikt maakt dat eigenlijk niet uit, maar bij meer geavanceerde systemen wil je misschien toch iets beters.
Edit: ik zie nu bij mij dat het gladde onderste deel vrij precies 8mm is, dat lukt met een standaard bout waarschijnlijk niet. Bij de beitelklem zoals je nu gebruikt maakt dat eigenlijk niet uit, maar bij meer geavanceerde systemen wil je misschien toch iets beters.
-
Huub Buis
- Donateur
- Berichten: 4308
- Lid geworden op: 13 feb 2017 00:26
- Locatie: Hoensbroek
- Has thanked: 10 times
- Been thanked: 8 times
Re: Emcomat V8 onderhoud.
Als de loctite niet houd, dan kun je de nieuwe bout op z'n kop van onderen in het gat plaatsen. Dan kun je van boven af, met een passende boor een gaatje boren door het gat voor de borgpen. Ook als het gat een fractie groter wordt zal die spanhuls het wel op z'n plaats houden.Kars-cnc schreef: 10 jan 2026 15:50 Die kerfpen, tja... ik zou beginnen met daar een druppeltje loctite voor in de plaats te gebruiken. Als dat niet lang houd zijn er nog vele wegen om die bout te borgen zonder zo'n lastig sleufje te hoeven maken.
There are only 2 limits, the sky and your imagination
- Marijke&Peter
- Donateur
- Berichten: 63
- Lid geworden op: 06 jun 2023 20:57
- Locatie: Heemskerk
- Has thanked: 3 times
- Been thanked: 2 times
- Contacteer:
Re: Emcomat V8 onderhoud.
Hoi allemaal, inmiddels is het klusje klaar.

Ik heb inderdaad een slotbout M8 gebruikt.

De sift is nu 7, orgineel is 8mm, maar dat weing uit.

De roest is van de bovenkant van de beitelhouder verwijderd.

De beitel zit nu een stuk beter vast, maar toch zoek ik een andere oplossing.
Groetjes, Peter.

Ik heb inderdaad een slotbout M8 gebruikt.

De sift is nu 7, orgineel is 8mm, maar dat weing uit.

De roest is van de bovenkant van de beitelhouder verwijderd.

De beitel zit nu een stuk beter vast, maar toch zoek ik een andere oplossing.
Groetjes, Peter.
- janplastiek
- Donateur
- Berichten: 2216
- Lid geworden op: 23 sep 2010 23:28
- Locatie: Rijkevorsel België
- Been thanked: 7 times
- Contacteer:
Re: Emcomat V8 onderhoud.
Had je het gat niet naar M10 kunnen tappen, de klemblok opboren naar 10mm en alles is zo veel sterker dan origineel.
Een slotbout is pisbakkenstaal, ik had minstens 8.8 en nog eerder een 12.9 bout genomen.
Een slotbout is pisbakkenstaal, ik had minstens 8.8 en nog eerder een 12.9 bout genomen.
Breek de dag, frees een lijntje.
- Quepee
- Berichten: 699
- Lid geworden op: 22 dec 2012 09:45
- Locatie: Oh Oh Den Haag!
- Has thanked: 3 times
- Been thanked: 5 times
- Contacteer:
Re: Emcomat V8 onderhoud.
Jan je moet altijd eerst iets positiefs zeggen en daarna mag je de persoon afbranden. (heb ik van mijn stagebegeleider cursus)
- Kars-cnc
- Donateur
- Berichten: 1986
- Lid geworden op: 07 okt 2015 05:33
- Locatie: Heerde (Gelderland)
- Been thanked: 1 time
Re: Emcomat V8 onderhoud.
Het belangrijkste is dat er nu weer probleemloos gedraaid kan worden. Dat maakt de weg vrij om t.z.t. een betere bout te maken.janplastiek schreef: 10 jan 2026 18:08 Een slotbout is pisbakkenstaal, ik had minstens 8.8 en nog eerder een 12.9 bout genomen.
Overigens, ik ben ook fan van 8.8 en 12.9 bouten, maar moeren met een grote treksterkte zijn bijna niet te krijgen...
- janplastiek
- Donateur
- Berichten: 2216
- Lid geworden op: 23 sep 2010 23:28
- Locatie: Rijkevorsel België
- Been thanked: 7 times
- Contacteer:
Re: Emcomat V8 onderhoud.
was helemaal niet denigrerend bedoeld, meer een tip om het beter te laten maken.Quepee schreef: 10 jan 2026 18:22 Jan je moet altijd eerst iets positiefs zeggen en daarna mag je de persoon afbranden. (heb ik van mijn stagebegeleider cursus)
Ik heb een hekel aan iemand afbranden, wat je zelf niet wil....
Breek de dag, frees een lijntje.
- hugo stoutjesdijk
- Donateur
- Berichten: 13231
- Lid geworden op: 02 mar 2011 17:04
- Locatie: elst (u)
- Has thanked: 1 time
- Been thanked: 12 times
- Contacteer:
Re: Emcomat V8 onderhoud.
Je zou die bout van een T gleuf bout kunnen maken en de daarbij horende hoge moer gebruiken. Die zijn 10.9
Als de spankikker echt vlak op de beitel ligt, moet het klemmen. En vlak is niet alleen de roest er af. Dat oppervlak zal wel bol staan. Misschien is de boel wel bol getrokken door het strak aandraaien.
Als de spankikker echt vlak op de beitel ligt, moet het klemmen. En vlak is niet alleen de roest er af. Dat oppervlak zal wel bol staan. Misschien is de boel wel bol getrokken door het strak aandraaien.
Ik ben voor meer techniek op school, maar dan wel vanaf groep 1 basischool.

