ADOPTIE Open Source Portaal Frees ( OSPF)
Moderators: audiomanics, Moderators
Re: ADOPTIE Open Source Portaal Frees ( OSPF)
Dan kan ik (nog) geen goed antwoord geven.
Maar als je 2,5mm2 gebruikt lijkt mij doorlussen geen probleem want je totale stroomopname moet toch ruim onder de 16A blijven.
Maar als je 2,5mm2 gebruikt lijkt mij doorlussen geen probleem want je totale stroomopname moet toch ruim onder de 16A blijven.
Re: ADOPTIE Open Source Portaal Frees ( OSPF)
Doorlussen lijkt mij prima bij 2.5mm2... Zoals Kjelt zegt, meer dan 16A gaat toch niet lukken en dat mag 2.5mm2 hebben. EMC technisch zie ik zo geen geen duidelijk verschil tussen doorlussen of apart voeden.
Die pats van de condensator in het netfilter is erg onplezierig maar niet dodelijk. Plaats anders 470kOhm weerstanden van L naar massa en van N naar massa. Dat mag zowel voor als na het filter net waar het goed uitkomt. Dan is die lading in een fractie van een seconde verdwenen.
Die pats van de condensator in het netfilter is erg onplezierig maar niet dodelijk. Plaats anders 470kOhm weerstanden van L naar massa en van N naar massa. Dat mag zowel voor als na het filter net waar het goed uitkomt. Dan is die lading in een fractie van een seconde verdwenen.
-
schutter schippers
- Berichten: 51
- Lid geworden op: 28 jan 2022 01:09
Re: ADOPTIE Open Source Portaal Frees ( OSPF)
Dat klinkt als een perfecte oplossing, en als ik dat hoor en op de tekening op het filter kijk... is meneer EPCOS ons dan niet voor geweest en zit die weerstand niet ingebouwd in het filter? Of moet er aan de uitgang kant ook nog 1?Kars-cnc schreef: 26 aug 2022 17:38Plaats anders 470kOhm weerstanden van L naar massa en van N naar massa. Dat mag zowel voor als na het filter net waar het goed uitkomt. Dan is die lading in een fractie van een seconde verdwenen.

En als er nog een weerstand bij moet, Hoeveel W moeten die dan zijn?
Als het ESD technisch niet uit maakt zal ik die 3 AUX contacten lekker op hun getwiste individuele 2,5mm2 bekabeling laten zitten.
Dit is dan alleen iets drukker in het bekabelingskanaal.
Voor de 24v en 48v Power supply's heb ik nog wel een stukje 3G1,5 met afscherming kunnen scoren.
Over de VFD als grootste boosdoener, ik heb nog een lomp groot 10A filter liggen welke ik voor de VFD kan zetten als dit een verschil maakt, het het juiste filter is en 10A genoeg is voor de VFD...
Dan kruist de afgeschermde kabel naar de spindel (paars) wel de "viezere draden" maar dat zal toch geen probleem geven?


Re: ADOPTIE Open Source Portaal Frees ( OSPF)
meten is weten, als je een multimeter catIII of hoger met AC stand hebt gewoon aansluiten op de uitgang, dan de ingang onderbreken en kijken hoe lang er rest spanning aanwezig is. Dat schrijf je dan op je kast met een sticker bij de hoofdschakelaar.
Pas een beetje op met een extra netfilter ivm lekstromen. Voor je het weet vliegt iedere keer de ALS er uit.
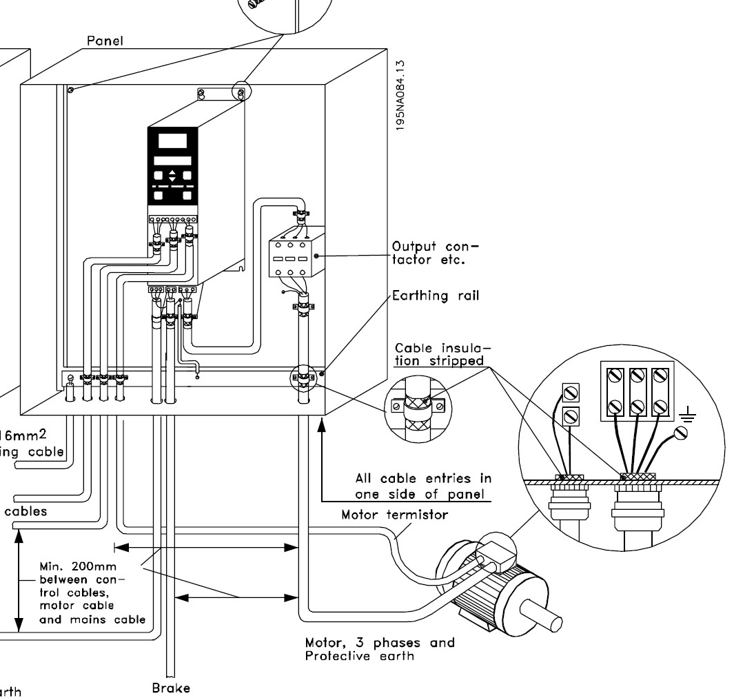
Wat je wilt met de uitgaande kabel van de VFD staat in dit tekeningetje mooi uitgelegd.
Je ziet dat bij de duurdere merk VFD's er geaarde metalen platen zitten alwaar je de ingaande en uitgaande kabels met hun mantel hard kunt aarden.
Dat heeft de YH VFD helaas niet dus zul je een eigen versie daar van willen maken.
Hier
https://cnczone.nl/viewtopic.php?p=258663#p258663
heb ik je al laten zien hoe ik dat voor Elvis zijn kast heb gemaakt.

Pas een beetje op met een extra netfilter ivm lekstromen. Voor je het weet vliegt iedere keer de ALS er uit.
Wat je wilt met de uitgaande kabel van de VFD staat in dit tekeningetje mooi uitgelegd.
Je ziet dat bij de duurdere merk VFD's er geaarde metalen platen zitten alwaar je de ingaande en uitgaande kabels met hun mantel hard kunt aarden.
Dat heeft de YH VFD helaas niet dus zul je een eigen versie daar van willen maken.
Hier
https://cnczone.nl/viewtopic.php?p=258663#p258663
heb ik je al laten zien hoe ik dat voor Elvis zijn kast heb gemaakt.

Re: ADOPTIE Open Source Portaal Frees ( OSPF)
Als je zorgt dar het elkaar echt kruist is er geen probleem, maar beslist niet naast elkaar leggen. En zorg dat de in- en uitgang van het filter elkaar echt niet 'zien'. En zorg wel dat de body van het filter echt heel goed contact maakt met de metalen bodemplaat.schutter schippers schreef: 27 aug 2022 11:50 Dan kruist de afgeschermde kabel naar de spindel (paars) wel de "viezere draden" maar dat zal toch geen probleem geven?
Re: ADOPTIE Open Source Portaal Frees ( OSPF)
Scherp gezien, er is dus helemaal geen probleem!schutter schippers schreef: 27 aug 2022 11:50 Dat klinkt als een perfecte oplossing, en als ik dat hoor en op de tekening op het filter kijk... is meneer EPCOS ons dan niet voor geweest en zit die weerstand niet ingebouwd in het filter?
Inderdaad is correct EMC aarden van een HuanYang VFD min of meer onmogelijk. Gelukkig gaat het in de praktijk meestal toch goedKjelt schreef: 27 aug 2022 15:02 Je ziet dat bij de duurdere merk VFD's er geaarde metalen platen zitten alwaar je de ingaande en uitgaande kabels met hun mantel hard kunt aarden.
Dat heeft de YH VFD helaas niet dus zul je een eigen versie daar van willen maken.
-
schutter schippers
- Berichten: 51
- Lid geworden op: 28 jan 2022 01:09
Re: ADOPTIE Open Source Portaal Frees ( OSPF)
Oke,
Het bedraden is begonnen!


De binnenkomende netspanning gaat na 4cm het filter in, dus de "vieze stroom" banen zijn erg kort.
De aarde die binnen komt heb ik nu gespleten, 1 draad direct naar het aardings tabje op het filter, en de andere draad gaat naar mijn centraalpunt.
Het ding is alleen dat ik daar dus een aardedraad heb die mijn "vieze stroom"kruist... (gaat dit goed bij een aardedraad of moet dit echt beter?)
Uit het netfilter gaan N&L direct de hoofdschakelaar in, en daarna door naar een 16A B-kar. automaat. Vanuit de automaat splits ik in 3e.
-naar de voeding van de PC
-naar de 24v voeding
-naar de contactor

De contactor Beveiligd middels het veiliheidsrelait & noodstop (op foto nog in testopstelling) alles in de 2 grijze verdeelblokjes. Hieruit worden alle bewegende delen gevoed:
-2x 48V stappenmotor voeding
-3x AUX kanalen
-VFD
Het idee is dat de PC en de EDING kaart niet direct uit vallen als iemand de nootstop in drukt.
Naast de noodstop komt er nog een "groene noodstop" die het programma op pause zet. Zoals ik het begreep kunnen de motoren namelijk beter remmen als ze per signaal opgedragen krijgen om te stoppen te opzichten van een lompe onderbreking van de spanning.

De 3 AUX kanalen hebben alle drie een eigen afgeschermde 3x1,5m2 kabel gekregen waarvan het aardescherm aan 1 zijde aan de aarde ligt.

De 2x 48V voedingen hebben ook zo'n 3x1,5mm2 met het aardscherm aan 1 zijde aan de aarde gekregen.
Omdat ik even geen betere kabel heb zitten de 4 closed-loop stepper drivers ook met die 3x1,5mm2 kabel. hierin zit alleen de - en + verbonden aan de voeding en is de ongebruikte aardkabel hier samen met het aardscherm wederom aan 1 zijnde aan het centrale aardpunt verbonden.

Het centrale aardpunt zit dus met een 2,5mm2 kabel direct aan de binnenkomende aarde verbonden, en is hij direct aan de bodemplaat verbonden (recht onderaan het verdeelblokje).

Tussen de hoofdkast en de knoppen en de PC op de deur komen nog wel en aantal kabels, maar ik heb nog geen fijne oplossing over hoe die te beschermen.
De deur zal als het geheel werkt hopenlijk niet heel vaak open moeten, maar als de deur scharniert moet het wel netjes blijven natuurlijk.
Is zoiets dan meteen nodig:
Of is dit in combinatie met een trekontlasting aan beide zijde ook voldoende?:

Het bedraden is begonnen!


De binnenkomende netspanning gaat na 4cm het filter in, dus de "vieze stroom" banen zijn erg kort.
De aarde die binnen komt heb ik nu gespleten, 1 draad direct naar het aardings tabje op het filter, en de andere draad gaat naar mijn centraalpunt.
Het ding is alleen dat ik daar dus een aardedraad heb die mijn "vieze stroom"kruist... (gaat dit goed bij een aardedraad of moet dit echt beter?)
Uit het netfilter gaan N&L direct de hoofdschakelaar in, en daarna door naar een 16A B-kar. automaat. Vanuit de automaat splits ik in 3e.
-naar de voeding van de PC
-naar de 24v voeding
-naar de contactor

De contactor Beveiligd middels het veiliheidsrelait & noodstop (op foto nog in testopstelling) alles in de 2 grijze verdeelblokjes. Hieruit worden alle bewegende delen gevoed:
-2x 48V stappenmotor voeding
-3x AUX kanalen
-VFD
Het idee is dat de PC en de EDING kaart niet direct uit vallen als iemand de nootstop in drukt.
Naast de noodstop komt er nog een "groene noodstop" die het programma op pause zet. Zoals ik het begreep kunnen de motoren namelijk beter remmen als ze per signaal opgedragen krijgen om te stoppen te opzichten van een lompe onderbreking van de spanning.

De 3 AUX kanalen hebben alle drie een eigen afgeschermde 3x1,5m2 kabel gekregen waarvan het aardescherm aan 1 zijde aan de aarde ligt.

De 2x 48V voedingen hebben ook zo'n 3x1,5mm2 met het aardscherm aan 1 zijde aan de aarde gekregen.
Omdat ik even geen betere kabel heb zitten de 4 closed-loop stepper drivers ook met die 3x1,5mm2 kabel. hierin zit alleen de - en + verbonden aan de voeding en is de ongebruikte aardkabel hier samen met het aardscherm wederom aan 1 zijnde aan het centrale aardpunt verbonden.

Het centrale aardpunt zit dus met een 2,5mm2 kabel direct aan de binnenkomende aarde verbonden, en is hij direct aan de bodemplaat verbonden (recht onderaan het verdeelblokje).

Tussen de hoofdkast en de knoppen en de PC op de deur komen nog wel en aantal kabels, maar ik heb nog geen fijne oplossing over hoe die te beschermen.
De deur zal als het geheel werkt hopenlijk niet heel vaak open moeten, maar als de deur scharniert moet het wel netjes blijven natuurlijk.
Is zoiets dan meteen nodig:

Of is dit in combinatie met een trekontlasting aan beide zijde ook voldoende?:

Re: ADOPTIE Open Source Portaal Frees ( OSPF)
De onderste is al goed genoeg, maar let er wel op dat de boel niet stak komt te staan én dat de boel niet tussen de deur klem kan komen zitten.
-
schutter schippers
- Berichten: 51
- Lid geworden op: 28 jan 2022 01:09
Re: ADOPTIE Open Source Portaal Frees ( OSPF)
Oké, ik ben een beetje afgeleid geweest door een hoop zaken, maar ik ga weer proberen meters te maken en dingen te doen, want het is wel weg makkelijk om het soms half af links te laten liggen.
Ik wil graag een handmatige override hebben voor de SSR,s Nou dacht ik het 24v aanstuursignaal van de Eding kaart gewoon te onderbreken en IPV daarvan gewoon een directe verbinding met de 24V PSU te maken.

De schakelaars zouden dan een NO en een NC contact zijn verwerkt in 1 eaton schakelaar om gelijktijdig de verbinding met de ene te verbreken en met de andere te maken en een groene led om aan te geven dat de override actief is).

Kan dat zomaar of krijg ik dan problemen als er een milliseconde een dubbel input signaal op de SSR staat.
Ook heb ik besloten een torsie box tafel te maken van multiplex, waarbij ik vierkante poten gebruik welke precies passen in de hoek-vierkanten zeg maar.

Zoiets, even voor het idee.
Ik wil graag een handmatige override hebben voor de SSR,s Nou dacht ik het 24v aanstuursignaal van de Eding kaart gewoon te onderbreken en IPV daarvan gewoon een directe verbinding met de 24V PSU te maken.

De schakelaars zouden dan een NO en een NC contact zijn verwerkt in 1 eaton schakelaar om gelijktijdig de verbinding met de ene te verbreken en met de andere te maken en een groene led om aan te geven dat de override actief is).

Kan dat zomaar of krijg ik dan problemen als er een milliseconde een dubbel input signaal op de SSR staat.
Ook heb ik besloten een torsie box tafel te maken van multiplex, waarbij ik vierkante poten gebruik welke precies passen in de hoek-vierkanten zeg maar.

Zoiets, even voor het idee.
- hugo stoutjesdijk
- Donateur
- Berichten: 13179
- Lid geworden op: 02 mar 2011 17:04
- Locatie: elst (u)
- Contacteer:
Re: ADOPTIE Open Source Portaal Frees ( OSPF)
In mijn beleving heb je slecht1 1 diode nodig en geen extra verbreek kontakt.
Ik heb het voorbeeld met 2 diodes, maar ikzelf zou de diode richting manual weg laten. En als je weet hoe de hardware in eding er uit ziet, zou het zomaar kunnen dat het ook helemaal zonder diodes kunt doen.
Ik heb het voorbeeld met 2 diodes, maar ikzelf zou de diode richting manual weg laten. En als je weet hoe de hardware in eding er uit ziet, zou het zomaar kunnen dat het ook helemaal zonder diodes kunt doen.
Je hebt niet voldoende permissies om de bijlagen van dit bericht te bekijken.
Ik ben voor meer techniek op school, maar dan wel vanaf groep 1 basischool.
Re: ADOPTIE Open Source Portaal Frees ( OSPF)
Ik weet niet wat de eigenschappen zijn van de Eding output die je gebruikt maar dit zou lelijk mis kunnen gaan.schutter schippers schreef: 09 jan 2023 01:03 Kan dat zomaar of krijg ik dan problemen als er een milliseconde een dubbel input signaal op de SSR staat.
Je moet een schakelaar gebruiken met "break before make" contacten. In de specificaties kun je dat meestal wel vinden. Wisselschakelaars, met 1 centraal contact, zijn dat bijna altijd maar bij een los maak en verbreek contact is het even oppassen.
[Edit] Bij twijfel gaan de diodes van Hugo het wel doen denk ik...
Re: ADOPTIE Open Source Portaal Frees ( OSPF)
Bovenstaand schema is niet goed!
Eding heeft open collector uitgangen die geeft dus geen 24V stuursignaal maar maakt kontakt met de 0V.
Met die diodes doet hij het helemaal niet meer.
Volgens mij zou je het zo aan moeten sluiten.

Eding heeft open collector uitgangen die geeft dus geen 24V stuursignaal maar maakt kontakt met de 0V.
Met die diodes doet hij het helemaal niet meer.
Volgens mij zou je het zo aan moeten sluiten.

Laatst gewijzigd door Floppy op 09 jan 2023 14:18, 1 keer totaal gewijzigd.
- hugo stoutjesdijk
- Donateur
- Berichten: 13179
- Lid geworden op: 02 mar 2011 17:04
- Locatie: elst (u)
- Contacteer:
Re: ADOPTIE Open Source Portaal Frees ( OSPF)
Ik baseerde me op de 24v en rode draad van TS.
Eigenlijk had ik ook zo m'n twijfel of er geen open collector gebruikt werd.
Eigenlijk had ik ook zo m'n twijfel of er geen open collector gebruikt werd.
Ik ben voor meer techniek op school, maar dan wel vanaf groep 1 basischool.
-
schutter schippers
- Berichten: 51
- Lid geworden op: 28 jan 2022 01:09
Re: ADOPTIE Open Source Portaal Frees ( OSPF)
Blij dat ik het nog even gevraagd heb... Dit heeft mij een duur geintje bespaard
Les geleerd, leer de handleiding van Eding uit je hoofd!

Onderaan staat dat je een flyback relay moet gebruiken. is die 1N4007 geschikt voor zowel een SSR als een EMR?
Als ik het circuit met de Eding kaart niet onderbreek en de handmatige override staat aan, creëer ik dan geen grondlus? of doe ik dat wel maar maakt het niet uit?
Ik heb een beetje getekend hoe ik de tafel ongeveer wil als ik hem van multiplex maak. Er komt dan nog een uitsparing in om evt. vertikaal werkstukken in te kunnen spannen.


Ik twijfel toch erg, dus ik heb ook een aanvraag gedaan bij ITEM voor een onderstel.
Dan ziet het er zo uit:


Het idee is dat ik de voorste ligger in de toekomst evt. kan verwijderen en dan dient de brede 40x200 plaat als aanslag om verticaal werkstukken in te kunnen spannen.

Welke ik uiteindelijk ga bouwen ligt even aan de prijs die ITEM vraagt voor al het moois
Les geleerd, leer de handleiding van Eding uit je hoofd!

Onderaan staat dat je een flyback relay moet gebruiken. is die 1N4007 geschikt voor zowel een SSR als een EMR?
Als ik het circuit met de Eding kaart niet onderbreek en de handmatige override staat aan, creëer ik dan geen grondlus? of doe ik dat wel maar maakt het niet uit?
Ik heb een beetje getekend hoe ik de tafel ongeveer wil als ik hem van multiplex maak. Er komt dan nog een uitsparing in om evt. vertikaal werkstukken in te kunnen spannen.


Ik twijfel toch erg, dus ik heb ook een aanvraag gedaan bij ITEM voor een onderstel.
Dan ziet het er zo uit:


Het idee is dat ik de voorste ligger in de toekomst evt. kan verwijderen en dan dient de brede 40x200 plaat als aanslag om verticaal werkstukken in te kunnen spannen.

Welke ik uiteindelijk ga bouwen ligt even aan de prijs die ITEM vraagt voor al het moois

